Контакты
Новости
Каталоги
 Войти
Сортировать:
Сначала новые
Сначала старые
Цена ↑
Цена ↓
Кол-во ↑
Кол-во ↓
Имя A→Я
Имя Я→A
Серийник ↑
Серийник ↓
AGCO6262104M93
1 300 472 ₽
5801441814 - стартер ДВС
73 365 ₽
86542820 - Болт
863 ₽
86545142 - Втулка стальная
7 801 ₽
86017596 - датчик
11 601 ₽
86027229 - сальник
28 976 ₽
86000442 - комплект
35 361 ₽
86000739 - Сферический подшипник
15 628 ₽
86001337 - Уплотнительное О-кольцо
980 ₽
86001359 - Крышка топливного бака
9 906 ₽
86014151 - Уплотнение нагревателя возд. впускн. колл. ДВС Ford 675 TC, CS, CX
448 ₽
86502152 - комплект
22 751 ₽
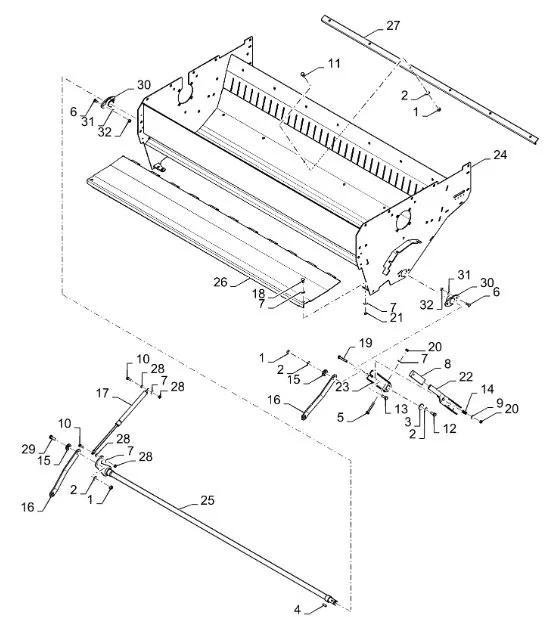
87350230 - Диск упорн. пружин муфты вала КПП TJT9./St.
4 993 ₽
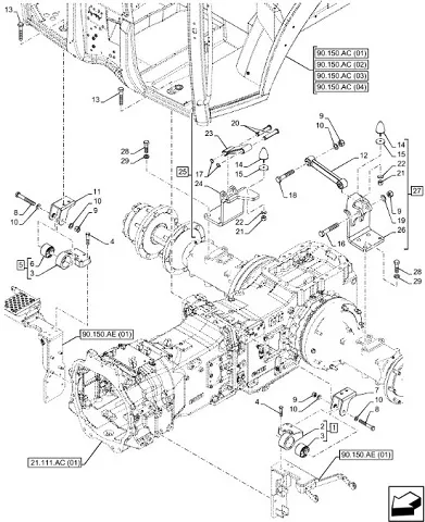
87350342 - Вал сцепления входящий
1 663 181 ₽
87350432 - клапан
10 749 ₽
87351022 - Крышка
27 453 ₽
87351057 - трубка
22 951 ₽
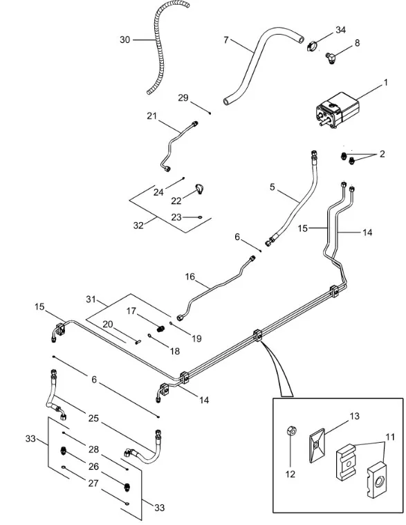
87363336 - трубка
52 347 ₽
87364972 - Шланг гидравл. радиат. масл. T8/Mg.
43 359 ₽
87353312 - всасывающая
36 280 ₽
87354357 - Корпус гидравлического цилиндра
454 807 ₽
87355233 - пылезащитное кольцо
8 911 ₽
87357896 - скоба хомут
5 952 ₽
AGCO6262111M92
37 130 ₽
«
<
1
...
68
69
70
71
72
...
34117
>
»
Страница:
Перейти